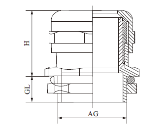
| 编 号 | 适用电缆 | 螺纹外径 | 机板口径 | 螺纹长度 | 接合长度 | 扳手径 |
| Item NO. | (mm) | (mm) | (mm) | GL (mm) | H (mm) | (mm) |
| Cable range | Thread O.D. | Mounting | Thread | Joint | ||
| hole | length GL | length H | Spanner | |||
| diameter | ||||||
| size | ||||||
| M8×1 | 5.5~2 | 8 | 8-8.2 | 5 | 16 | 12 |
| M10×1 | 6.~3 | 10 | 10-10.2 | 7 | 19 | 14 |
| M12×1.5 | 6.5~3 | 12 | 12-12.2 | 7 | 19 | 14 |
| M14×1.5 | 8~4 | 14 | 14-14.2 | 7 | 19 | 17 |
| M16×1.5 | 8~4 | 16 | 16-16.2 | 8 | 20 | 18 |
| M18×1.5 | 10~5 | 18 | 18-18.2 | 8 | 21 | 20 |
| M20×1.5 | 12~6 | 20 | 20-20.2 | 8 | 22 | 22 |
| M22×1.5 | 10~14 | 22 | 22-22.2 | 8 | 23 | 24 |
| M24×1.5 | 10~14 | 24 | 24-24.2 | 9 | 25 | 24/27 |
| M25×1.5 | 10~14 | 25 | 25-25.2 | 9 | 25 | 24/27 |
| M27×1.5 | 18~13 | 27 | 27-27.2 | 9 | 27 | 30 |
| M28×1.5 | 18~13 | 28 | 28-28.2 | 9 | 27 | 30 |
| M30×1.5 | 18~13 | 30 | 30-30.2 | 9 | 29 | 30/32 |
| M32×1.5 | 22~15 | 32 | 32-32.2 | 10 | 29 | 35 |
| M36×1.5 | 25~18 | 36 | 36-35.2 | 10 | 31 | 40 |
| M40×1.5 | 25~18 | 40 | 40-40.2 | 11 | 31 | 40/45 |
| M42×1.5 | 30~22 | 42 | 42-42.2 | 11 | 35 | 45 |
| M48×1.5 | 33~25 | 48 | 48-48.2 | 11 | 37 | 50/52 |
| M50×1.5 | 38~32 | 50 | 50-50.2 | 12 | 37 | 50/52 |
| M54×1.5 | 38~32 | 54 | 54-54.2 | 12 | 38 | 57 |
| M60×1.5 | 44~37 | 60 | 60-60.2 | 13 | 38 | 64 |
| M63×1.5 | 44~37 | 63 | 63-63.2 | 13 | 38 | 64/68 |
| PG7 | 6.5~3 | 12.5 | 12.5-12.7 | 7 | 19 | 14 |
| PG9 | 8~4 | 15.2 | 15.2-15.4 | 8 | 20 | 17 |
| PG11 | 10~5 | 18.6 | 18.6-18.8 | 8 | 21 | 20/21 |
| PG13.5 | 12~6 | 20.4 | 20.4-20.6 | 8 | 22 | 22 |
| PG16 | 10~14 | 22.5 | 22.5-22.7 | 9 | 23 | 24 |
| PG19 | 10~14 | 25 | 25-25.2 | 9 | 25 | 24/27 |
| PG21 | 18~13 | 28.3 | 28.3-28.5 | 9 | 27 | 30 |
| PG25 | 22~15 | 32 | 32-32.2 | 10 | 29 | 35 |
| PG29 | 25~18 | 0.37 | 37-37.2 | 11 | 31 | 40 |
| PG36 | 33~25 | 47 | 47-47.2 | 12 | 37 | 50 |
| PG42 | 38~32 | 54 | 54-54.2 | 13 | 38 | 57 |
| PG48 | 44~37 | 59.3 | 59.3-59.5 | 14 | 38 | 64 |
| PG63 | 52~42 | 72 | 72 | 15 | 42 | 77 |

微信二维码

